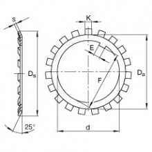
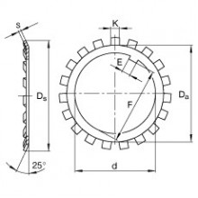
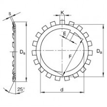
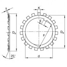
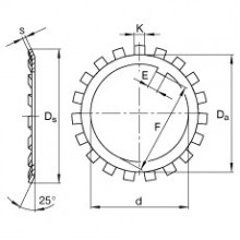
Rosetta di Sicurezza MB5
0,75 €
Il tempio del cuscinetto