 
        
          
                
                
              
            
          Il tempio del cuscinetto
 
         
          Consegna 7 Giorni

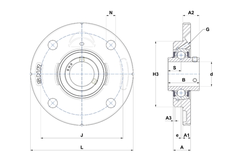
Corpo Esterno In Ghisa, Cuscinetto-Inserto Radiale A Sfere Con Grani Filettati, Tenuta Con Deflettore
B 49,2 mm 
A 23 mm 
A1 11,5 mm 
d 40 mm 
e -1 mm 
G M6x1
H3 100
J 120 mm 
L 145 mm 
N 11,5mm
s1 24,6 mm 
S 19 mm 
Prestazioni
C 29,6 kN 
C0 18,2 kN 
T min. -20 °C 
T max. 100 °C 
Altre caratteristiche
Peso 1,64 kg 
Coppia di serraggio raccomandata per viti fissaggio cave 11,5 Nm 
Designazione alloggiamento FCE208-
Designazione cuscinetto UC208G2
Scheda tecnica
 
          Consegna 7 Giorni

 
                         
                       
                         
                         
                         
                         
                         
                        